Secteurs
Avions et yachts
• Équipements auxiliaires d'avion
-Pompe à huile électrique
-Entraînement du train d'atterrissage
-Système de contrôle environnemental
• Demande de yacht
-Systèmes de propulsion
-Entraînements d'équipements embarqués
Produits connexes
×
Les fentes inclinées du moteur à courant continu brossé 40ZYT de 40 mm présentent une conception durable avec une liaison renforcée
Suzhou Retek Electric Technology Co., Ltd. continue de fournir la série 40ZYT pour les applications privilégiant la rentabilité, la simplicité de contrôle et un couple élevé au démarrage. Nous nous concentrons sur l'optimisation de l'interface balais-commutateur afin de minimiser le bruit électrique (EMI) et l'usure des balais, qui sont des facteurs critiques pour la durée de vie du moteur à balais. La conception durable présente une construction robuste qui maintient les performances pendant des milliers d'heures de fonctionnement, ce qui en fait un choix fiable pour les produits grand public et industriels légers.
Les fentes inclinées du moteur à courant continu brossé 40ZYT de 40 mm présentent une conception durable avec une liaison renforcée
×
Suzhou Retek Electric Technology Co., Ltd. conçoit et fabrique la série 76/78ZYT pour résister aux exigences sévères des marchés de la logistique industrielle et de la mobilité. Nous nous concentrons sur la maximisation de la densité de couple et des performances thermiques du moteur, afin de garantir qu'il puisse fournir sa puissance nominale sans panne prématurée. La simplicité et la robustesse de cette technologie éprouvée en font le choix incontournable pour les équipementiers qui construisent des équipements lourds fiables et sensibles aux coûts.
Moteur à courant continu brossé 76ZYT 78ZYT 76mm78mm
×
Moteur brossé à courant continu à aimant Non permanent, diamètre de 80mm pour pompe industrielle avec commutateur de Type fente
Suzhou Retek Electric Technology Co., Ltd. se spécialise dans les moteurs à champ bobiné pour les applications industrielles lourdes, telles que les grandes pompes industrielles, où la fiabilité dans des cycles de démarrage-arrêt fréquents et une pression statique élevée est essentielle. La conception à aimant non permanent offre une robustesse inhérente contre la démagnétisation, garantissant que le moteur reste cohérent tout au long de sa durée de vie. Nous concevons sur mesure les enroulements de champ et d'induit pour optimiser la courbe vitesse-couple pour les exigences spécifiques de pression de refoulement et de débit des pompes industrielles.
Moteur brossé à courant continu à aimant Non permanent, diamètre de 80mm pour pompe industrielle avec commutateur de Type fente
×
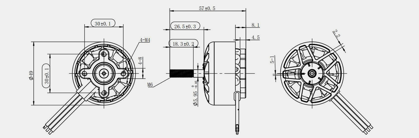
| Spécifications électriques. | |||||||||||||||||||||||||||
| Max. P. (W) | Tension (V) | Max. Je. A) | KV | Courant à vide (UNE) | Résistance (mΩ) | Poteaux | Dim. moteur. (mm) | Dim. stator. (mm) | Montage (mm) | N.W. (g) | Prop. (pouces) | ||||||||||||||||
| 2121 | 24 | 34 | 380 | 1.5 | 576 | 14 | φ49*32,5 | φ42*14 | M4-30*30 | 235 | 13"~15" | ||||||||||||||||
| Données de tests de poussée | |||||||||||||||||||||||||||
| Hélice | Valeur KV | Accélérateur (%) | Tension (V) | Actuel (UNE) | Vitesse (tr/min) | Force de poussée (kg) | Couple (N.M) | Puissance d'entrée (W) | Efficacité (G/W) | ||||||||||||||||||
| GEMFAN 1308*3 | 380 kV | 10% | 24 | 0.184 | 859 | 0.0279 | 0.010 | 4.4 | 6.309 | ||||||||||||||||||
| 20% | 23.99 | 0.623 | 1788 | 0.1207 | 0.031 | 14.9 | 8.082 | ||||||||||||||||||||
| 30% | 23.99 | 1.437 | 2708 | 0.2961 | 0.072 | 34.5 | 8.600 | ||||||||||||||||||||
| 40% | 23.98 | 2.588 | 3536 | 0.5128 | 0.116 | 62 | 8.278 | ||||||||||||||||||||
| 50% | 23.96 | 4.434 | 4393 | 0.7981 | 0.179 | 106.2 | 7.525 | ||||||||||||||||||||
| 60% | 23.94 | 7.498 | 5286 | 1.1673 | 0.258 | 179.5 | 6.508 | ||||||||||||||||||||
| 70% | 23.92 | 11.142 | 6106 | 1.5620 | 0.344 | 266.5 | 5.864 | ||||||||||||||||||||
| 80% | 23.89 | 15.405 | 6835 | 1.9759 | 0.433 | 368 | 5.370 | ||||||||||||||||||||
| 90% | 23.85 | 20.898 | 7573 | 2.4480 | 0.534 | 498.5 | 4.911 | ||||||||||||||||||||
| 100% | 23.81 | 26.668 | 8213 | 2.8856 | 0.630 | 635.1 | 4.544 | ||||||||||||||||||||
| GEMFAN 1310*3 | 380 kV | 10% | 24.01 | 0.18 | 847 | 0.0239 | 0.014 | 4.3 | 5.539 | ||||||||||||||||||
| 20% | 24 | 0.708 | 1781 | 0.1251 | 0.042 | 17 | 7.367 | ||||||||||||||||||||
| 30% | 23.99 | 1.668 | 2664 | 0.3160 | 0.093 | 40 | 7.900 | ||||||||||||||||||||
| 40% | 23.98 | 3.104 | 3458 | 0.5413 | 0.152 | 74.4 | 7.278 | ||||||||||||||||||||
| 50% | 23.96 | 5.481 | 4293 | 0.8513 | 0.2310 | 131.3 | 6.490 | ||||||||||||||||||||
| 60% | 23.99 | 9.362 | 5159 | 1.2510 | 330 | 224.1 | 5.585 | ||||||||||||||||||||
| 70% | 23.98 | 13.856 | 5924 | 1.6492 | 0.437 | 331.3 | 4.979 | ||||||||||||||||||||
| 80% | 23.95 | 19.353 | 6644 | 2.1044 | 0.549 | 462 | 4.555 | ||||||||||||||||||||
| 90% | 23.93 | 25.502 | 7287 | 2.5593 | 0.666 | 607.8 | 4.211 | ||||||||||||||||||||
| 100% | 23.88 | 32.034 | 7869 | 2.9946 | 0.768 | 762.1 | 3.929 | ||||||||||||||||||||
| GEMFAN 1310*3 | 640 kV | 10% | 24.81 | 0.409 | 1336 | 0.0768 | 0.0299 | 9.8000 | 7.8180 | ||||||||||||||||||
| 20% | 23.73 | 1.865 | 2708 | 0.3374 | 0.1001 | 44.7000 | 7.5440 | ||||||||||||||||||||
| 30% | 23.63 | 4.803 | 3946 | 0.7408 | 0.2051 | 115.0000 | 6.4420 | ||||||||||||||||||||
| 40% | 23.53 | 9.285 | 5007 | 1.2049 | 0.3214 | 222.2000 | 5.4240 | ||||||||||||||||||||
| 50% | 23.42 | 17.318 | 6131 | 1.8117 | 0.4789 | 413.5000 | 4.3840 | ||||||||||||||||||||
| 60% | 23.5 | 28.207 | 7158 | 2.4977 | 0.6519 | 671.5000 | 3.7200 | ||||||||||||||||||||
| 70% | 23.62 | 40.854 | 8027 | 3.1604 | 0.8238 | 969.3000 | 3.2610 | ||||||||||||||||||||
| 80% | 23.67 | 58.755 | 8840 | 3.8649 | 1.0092 | 1388.3000 | 2.7840 | ||||||||||||||||||||
| 90% | 23. | 73.77 | 9411 | 4.3715 | 1.1529 | 1736.0000 | 2.5180 | ||||||||||||||||||||
| 100% | 23.7 | 90.573 | 9878 | 4.8917 | 1.2935 | 2121.3000 | 2.3060 | ||||||||||||||||||||
Moteur sans balais UAV LN4214 380KV 6-85 pour drones de course de 13 pouces
×
Moteur de drone sans balais série 24S LN13720 (34KV / 38KV) - Moteur UAV de levage lourd haute puissance
Moteur de drone sans balais série 24S LN13720 (34KV / 38KV) - Moteur UAV de levage lourd haute puissance
